
Marque :
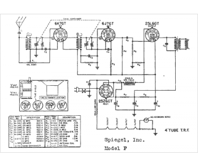
Spiegel
Modèle :
P
Type appareil :
récepteur à tubes
Année :
1940
Pays d'origine :
États-Unis
