
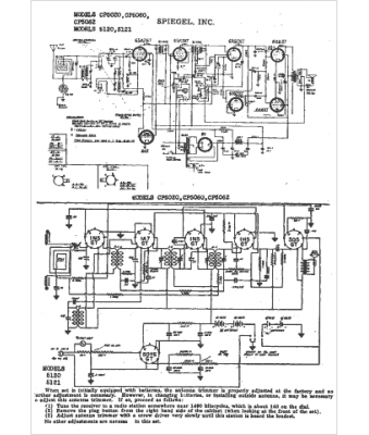
Marque :
Spiegel
Modèle :
CP-5020
Type appareil :
récepteur à tubes
Pays d'origine :
États-Unis
