
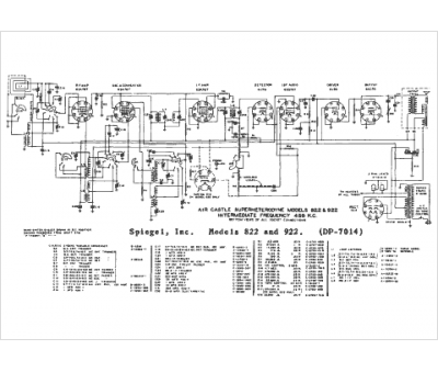
Marque :
Spiegel
Modèle :
822
Type appareil :
récepteur à tubes
Année :
1942
Pays d'origine :
États-Unis
