
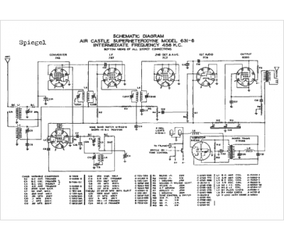
Marque :
Spiegel
Modèle :
631-6
Type appareil :
récepteur à tubes
Année :
1940
Pays d'origine :
États-Unis
