
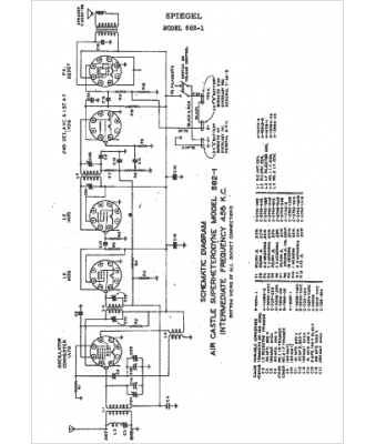
Marque :
Spiegel
Modèle :
582-1
Type appareil :
récepteur à tubes
Année :
1947
Pays d'origine :
États-Unis
