
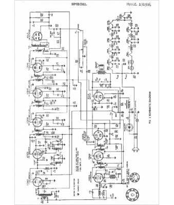
Marque :
Spiegel
Modèle :
131504
Type appareil :
récepteur à tubes
Année :
1949
Pays d'origine :
États-Unis
