
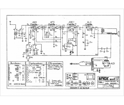
Marque :
															Spick																																															
														Modèle :
																107																																	
															Type appareil :
																récepteur à tubes
															Pays d'origine :
																Espagne
															