
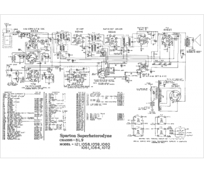
Marque :
Sparton
Modèle :
8L9
Type appareil :
récepteur à tubes
Année :
1949
Pays d'origine :
États-Unis
