
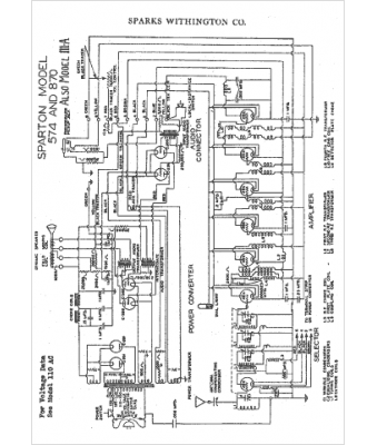
Marque :
Sparton
Modèle :
870
Type appareil :
récepteur à tubes
Année :
1932
Pays d'origine :
États-Unis
