
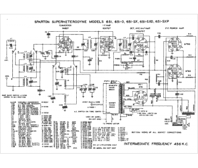
Marque :
Sparton
Modèle :
651-SX
Type appareil :
récepteur à tubes
Année :
1941
Pays d'origine :
États-Unis
