
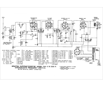
Marque :
Sparton
Modèle :
531-X
Type appareil :
récepteur à tubes
Année :
1942
Pays d'origine :
États-Unis
