
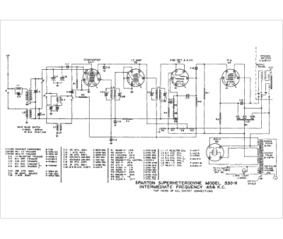
Marque :
Sparton
Modèle :
530-X
Type appareil :
récepteur à tubes
Année :
1940
Pays d'origine :
États-Unis
