
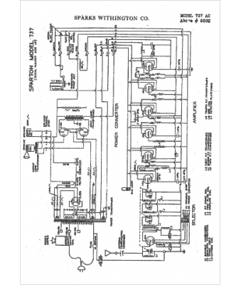
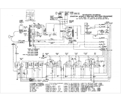
Marque :
Sparton
Modèle :
373-AC
Type appareil :
récepteur à tubes
Année :
1938
Pays d'origine :
États-Unis
