
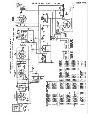
Marque :
Sparks-Withington
Modèle :
6021
Type appareil :
récepteur à tubes
Année :
1942
Pays d'origine :
États-Unis
