
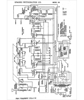
Marque :
Sparks-Withington
Modèle :
56
Type appareil :
récepteur à tubes
Année :
1932
Pays d'origine :
États-Unis
