
Marque :
Sonora
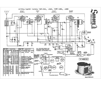
Modèle :
WGFU-241
Type appareil :
récepteur à tubes
Pays d'origine :
France, États-Unis
