
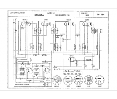
Marque :
Sonora
Modèle :
Sonorette 50
Type appareil :
récepteur à tubes
Année :
1950
Pays d'origine :
France, États-Unis
