
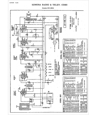
Marque :
Sonora
Modèle :
RDU
Type appareil :
récepteur à tubes
Année :
1946
Pays d'origine :
France, États-Unis
