
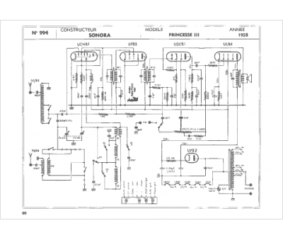
Marque :
Sonora
Modèle :
Princesse III
Type appareil :
récepteur à tubes
Année :
1958
Pays d'origine :
France, États-Unis
