
Marque :
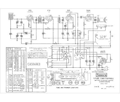
Sonora
Modèle :
Portable 5 t.
Type appareil :
récepteur à tubes
Année :
1941
Pays d'origine :
France, États-Unis
