
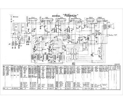
Marque :
Sonora
Modèle :
Piléprise
Type appareil :
récepteur à tubes
Pays d'origine :
France, États-Unis
