
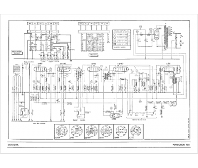
Marque :
Sonora
Modèle :
Perfection 703
Type appareil :
récepteur à tubes
Pays d'origine :
France, États-Unis
