
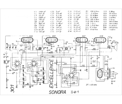
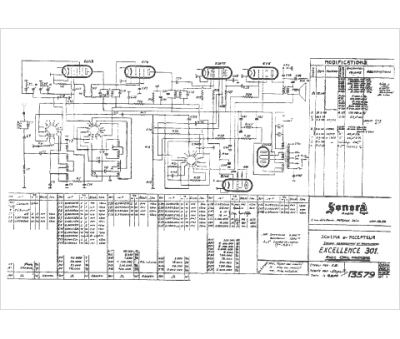
Marque :
Sonora
Modèle :
Excellence 301
Type appareil :
récepteur à tubes
Pays d'origine :
France, États-Unis
