
Marque :
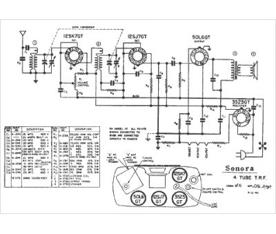
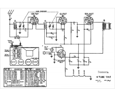
Sonora
Modèle :
4 Tube TRF
Type appareil :
récepteur à tubes
Année :
1940
Pays d'origine :
France, États-Unis
