
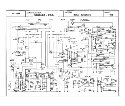
Marque :
Sonolor
Modèle :
Relax symphonie
Type appareil :
récepteur à tubes
Année :
1975
Pays d'origine :
France
