
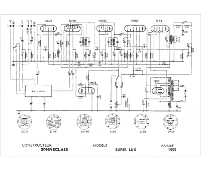
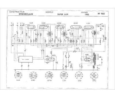
Marque :
Sonneclair
Modèle :
Super luxe
Type appareil :
récepteur à tubes
Année :
1955
Pays d'origine :
France
