
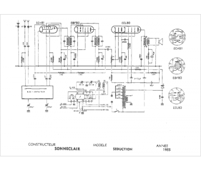
Marque :
Sonneclair
Modèle :
Séduction
Type appareil :
récepteur à tubes
Année :
1955
Pays d'origine :
France
