
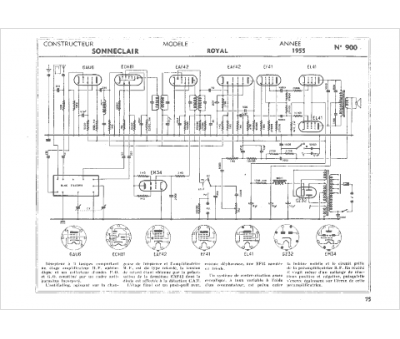
Marque :
Sonneclair
Modèle :
Royal
Type appareil :
récepteur à tubes
Année :
1955
Pays d'origine :
France
