
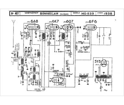
Marque :
Sonneclair
Modèle :
HD 539
Type appareil :
récepteur à tubes
Année :
1938
Pays d'origine :
France
