
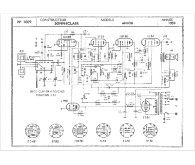
Marque :
Sonneclair
Modèle :
Anjou
Type appareil :
récepteur à tubes
Année :
1959
Pays d'origine :
France
