
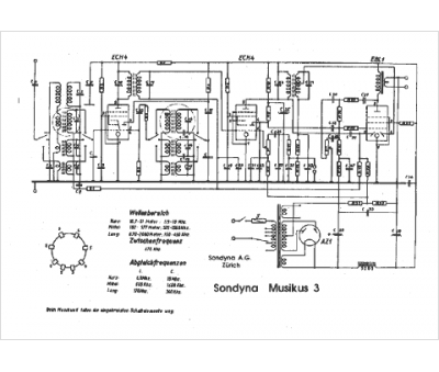
Marque :
Sondyna
Modèle :
MUSIKUS 3
Type appareil :
récepteur à tubes
Pays d'origine :
Suisse
