
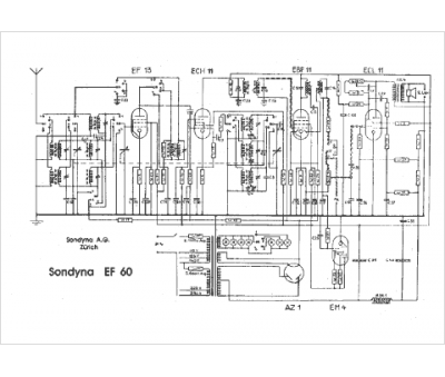
Marque :
Sondyna
Modèle :
EF60
Type appareil :
récepteur à tubes
Pays d'origine :
Suisse
