
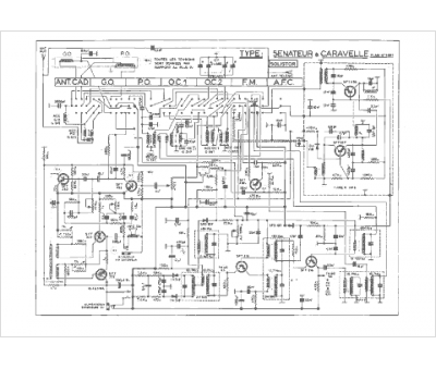
Marque :
Solistor
Modèle :
Sénateur
Type appareil :
récepteur à tubes
Pays d'origine :
France
