
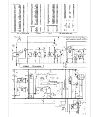
Marque :
Sobell
Modèle :
FMG series
Type appareil :
récepteur à tubes
Pays d'origine :
Grande-Bretagne
