
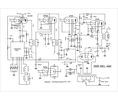
Marque :
SNR
Modèle :
Bel Ami
Type appareil :
récepteur à tubes
Pays d'origine :
France
