
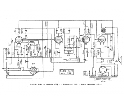
Marque :
SITI
Modèle :
706
Type appareil :
récepteur à tubes
Pays d'origine :
Italie
