
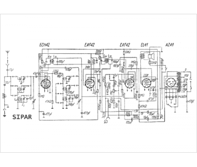
Marque :
Sipar
Modèle :
Qualitat
Type appareil :
récepteur à tubes
Pays d'origine :
Hongrie
