
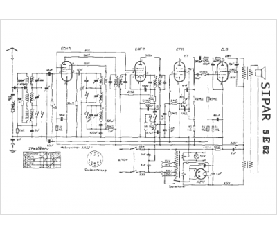
Marque :
Sipar
Modèle :
5E 62
Type appareil :
récepteur à tubes
Pays d'origine :
Hongrie
