
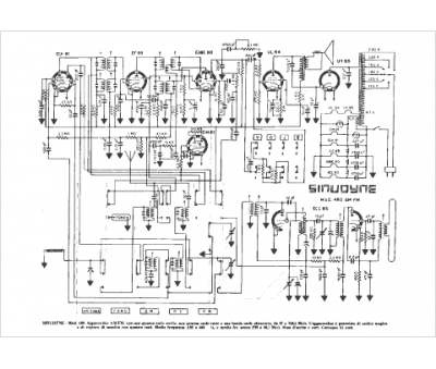
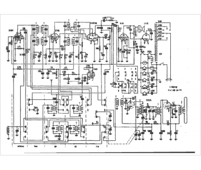
Marque :
Sinudyne
Modèle :
480
Type appareil :
récepteur à tubes
Pays d'origine :
Italie
