
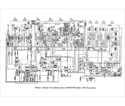
Marque :
Sinudyne
Modèle :
3700 Radiomatic
Type appareil :
récepteur à tubes
Pays d'origine :
Italie
