
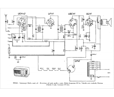
Marque :
Sintomagic
Modèle :
N 0
Type appareil :
récepteur à tubes
Pays d'origine :
Italie
