
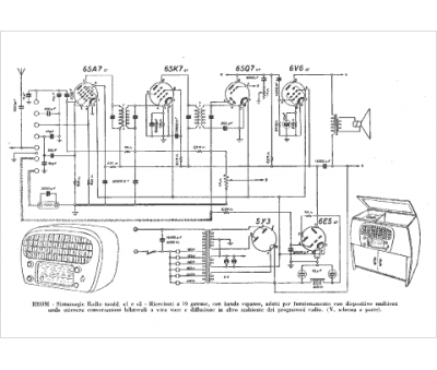
Marque :
Sintomagic
Modèle :
C 1
Type appareil :
récepteur à tubes
Pays d'origine :
Italie
