
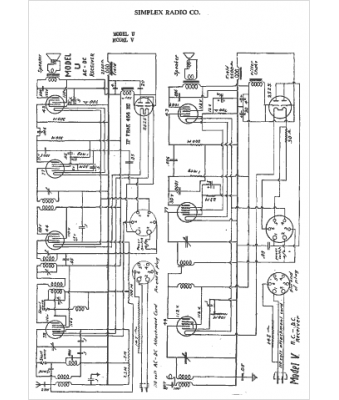
Marque :
Simplex
Modèle :
U
Type appareil :
récepteur à tubes
Année :
1933
Pays d'origine :
Italie, États-Unis
