
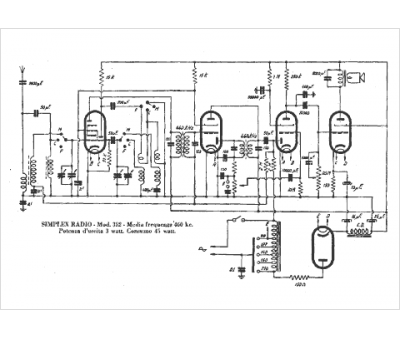
Marque :
															Simplex																																															
														Modèle :
																362																																	
															Type appareil :
																récepteur à tubes
															Pays d'origine :
																Italie, États-Unis
															