
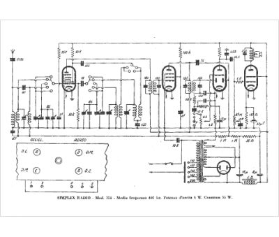
Marque :
Simplex
Modèle :
154
Type appareil :
récepteur à tubes
Pays d'origine :
Italie, États-Unis
