
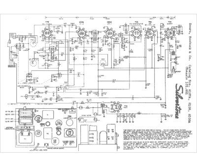
Marque :
Silvertone
Modèle :
8107A
Type appareil :
récepteur à tubes
Année :
1949
Pays d'origine :
États-Unis
