
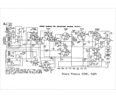
Marque :
Silvertone
Modèle :
6425
Type appareil :
récepteur à tubes
Année :
1940
Pays d'origine :
États-Unis
