
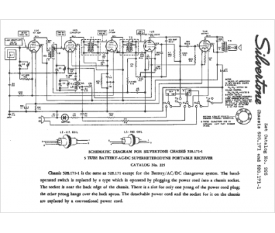
Marque :
Silvertone
Modèle :
225
Type appareil :
récepteur à tubes
Année :
1951
Pays d'origine :
États-Unis
