
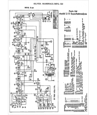
Marque :
Silver-Marshall
Modèle :
Z-13
Type appareil :
récepteur à tubes
Année :
1933
Pays d'origine :
États-Unis
