
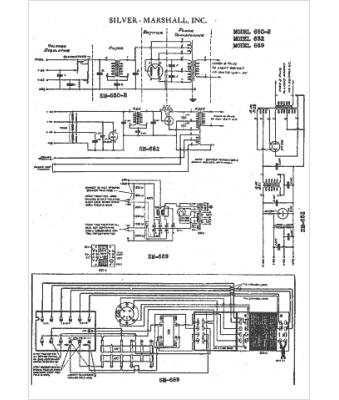
Marque :
Silver-Marshall
Modèle :
650-B
Type appareil :
récepteur à tubes
Année :
1932
Pays d'origine :
États-Unis
